Спасибо за ранее что вы есть БОГИ!
У телефона все пятаки вырваны почти...
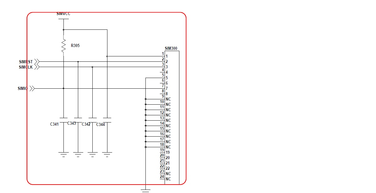
нашел вот такую схему на форуме:тут все понятно.вторую схему понять не могу=(
но нужно припаяться к деталям но каким, подскажите пожалуйста имя детали каким перемыкнуть? Просто там не подкопаешься, тел делаю себе, просто уже долблюсь с ним очень долго... Прошу вас вникните на пару минуточек и сделайте доброе дело такому нубу как я.
Хотя бы два пятака припоять! а крайний левый не действует, так как симка на 6 ног